深圳市隆玛视觉光源有限公司  

13682357734
产品详情
THORLABS 索雷博    LB4537-532 双凸透镜
分享到:

THORLABS 索雷博    LB4537-532 双凸透镜

产品详情
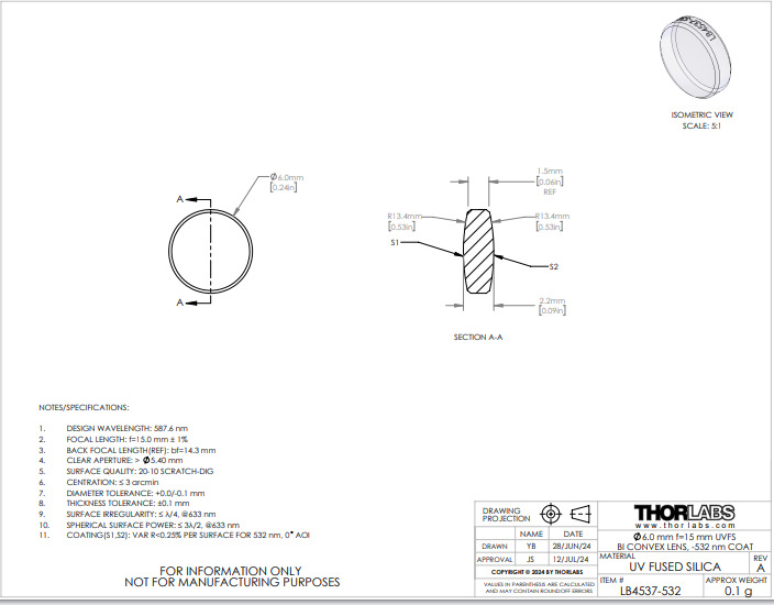
型号 LB4537-532 双凸透镜 品牌 THORLABS 索雷博

Thorlabs索雷博     LB4537-532 双凸透镜



通用规格
镜片形状凸/凸
基材材质紫外级熔融石英‍a
AR V 镀膜532纳米
532 nm 处的反射率
(AOI = 0°)
< 0.25%
可用直径5 毫米、6 毫米、1/2 英寸、1 英寸和 2 英寸
直径公差+0.0 毫米/-0.1 毫米
厚度公差±0.1毫米
通光孔径> 直径的 90%
设计波长587.6纳米
折射率1.458 @ 587.6 纳米
表面质量20-10 划痕-挖掘
球面光焦度b≤3λ/ 2c
表面不规则度
(峰到谷)
≤λ/ 4c
中心化≤3弧分
焦距公差±1%
脉冲损伤阈值d10 J/cm 2 (532 nm, 10 ns, 10 Hz, Ø0.359 mm)









手机/微信:13682357734   电话:0755-84690029       QQ: 2844337877        邮箱:2844337877@qq.com

Hardware Design  
手机/微信:13249819590               电话:0755-83512170
QQ:2577758288                             Email: 2577758288@qq.com
地址:深圳龙岗区平湖双拥街金立丰大厦306-308