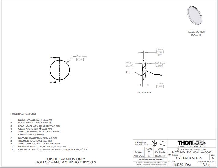
Thorlabs索雷博 LB4330-1064 双凸透镜
| 通用规格 |
|---|
| 镜片形状 | 凸/凸 |
| 基材材质 | 紫外级熔融石英a |
| 增透膜范围 | 1064纳米 |
| 1064 nm 处的反射率 (AOI = 0°) | R<0.25% |
| 可用直径 | Ø5 毫米、Ø6 毫米、Ø1/2"、Ø1" 或 Ø2" |
| 直径公差 | +0.0 毫米/-0.1 毫米 |
| 厚度公差 | ±0.1毫米 |
| 通光孔径 | > 直径的 90% |
| 设计波长 | 587.6纳米 |
折射率
| 1.458 @ 587.6 纳米 |
| 表面质量 | 20-10 划痕-挖掘 |
| 球面光焦度b | ≤3λ/ 2c |
表面不规则性 (峰到谷) | ≤λ/ 4c |
| 中心化 | ≤3弧分 |
| 焦距公差 | ±1% |
| 脉冲损伤阈值d | 10 J/cm 2 (1064 nm, 10 ns, 10 Hz, Ø0.446 mm) |


手机/微信:13682357734 电话:0755-84690029 QQ: 2844337877 邮箱:2844337877@qq.com