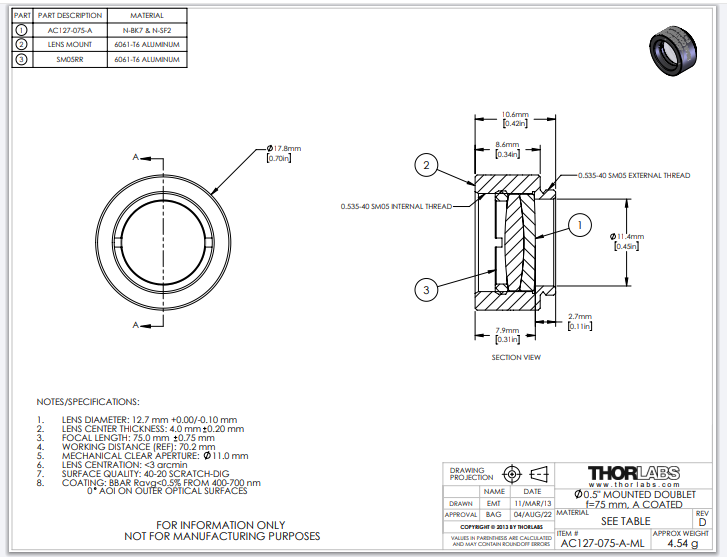
Thorlabs索雷博 AC127-075-A-ML 消色差双胶合透镜
| 一般规格 |
|---|
| 设计波长 | 486.1纳米、587.6纳米、656.3纳米 |
| 增透膜范围 | 400 - 700 纳米 |
AR 涂层 范围内的反射率 (0° AOI) | R平均值< 0.5% |
| 可用直径 | 5 毫米、6 毫米、6.35 毫米、 8 毫米、1/2 英寸、1 英寸或 2 英寸 |
| 直径公差 | +0.00/-0.10毫米 |
| 焦距公差 | ±1% |
| 表面质量 | 40-20 划痕-挖掘 |
| 球面光焦度b,c | 3升/2 |
球面不规则度 (峰到谷)c | 升/4 |
| 中心化 | ≤3弧分 |
| 通光孔径 | > 直径的 90% |
| 损伤阈值d | 脉冲 | 0.5 J/cm 2 (532 nm,10 ns 脉冲,10 Hz,Ø0.566 mm) |
| 连续波 | 300 瓦/厘米(532 纳米,Ø1.000 毫米) |
| 工作温度 | -40°C 至 85°C |


手机/微信:13682357734 电话:0755-84690029 QQ: 2844337877 邮箱:2844337877@qq.com