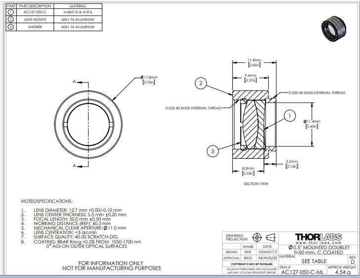
Thorlabs索雷博 AC127-050-C-ML 消色差双胶合透镜
| 一般规格 |
|---|
| 设计波长 | 1016 纳米、1330 纳米和 1550 纳米 |
| 增透膜范围 | 1050 - 1620 nm 或 1050 - 1700 nm(-C 涂层) |
AR 涂层 范围内的反射率 (0° AOI) | R平均值< 0.5% |
| 可用直径 | 5 毫米、6、6.35 毫米、 8 毫米、1/2 英寸、1 英寸和 2 英寸 |
| 直径公差 | +0.00/-0.10毫米 |
| 焦距公差 | ±1% |
| 表面质量 | 40-20 划痕-挖掘 |
| 球面光焦度b | 3升/2 |
球面不规则度 (峰到谷) | 升/4 |
| 中心化 | ≤3弧分c |
| 通光孔径 | > 直径的 90% |
| 损伤阈值d | 脉冲 | 5.0 J/cm 2 (1542 nm, 10 ns, 10 Hz, Ø0.181 mm) |
| 连续波 | 1000 瓦/厘米(1540 纳米,Ø1.030 毫米) |
| 工作温度 | -40°C 至 +85°C |


手机/微信:13682357734 电话:0755-84690029 QQ: 2844337877 邮箱:2844337877@qq.com