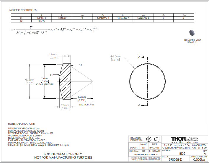
Thorlabs索雷博 390028-D 非球面透镜
| 通用规格 |
|---|
| 基材 | 黑钻石2 | 维格06 |
| 折射率a | 2.5 µm 时为 2.630 ± 0.003 | 2.795 ± 0.003 @ 3.5 µm |
| 损坏阈值(典型值) | 100 W/cm 2 @(1064 nm,CW)b 0.1 J/cm 2 @(1064 nm,10 ns)b | 不适用 |
表面质量 (散装材料) | 80-50 划痕-挖坑 |
热膨胀系数 | 13.5×10 -6 /℃ | 20.8×10 -6 /℃ |
| 热光系数 (Δn / ΔT) | 91×10 -6 /℃ | 32.1×10 -6 /℃ |


手机/微信:13682357734 电话:0755-84690029 QQ: 2844337877 邮箱:2844337877@qq.com