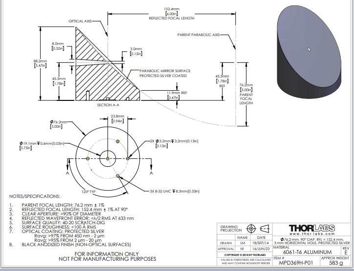
Thorlabs索雷博 MPD369H-P01 Ø3英寸90°离轴抛物面反射镜
手机/微信:13682357734 电话:0755-84690029 QQ: 2844337877 邮箱:2844337877@qq.com